Описание
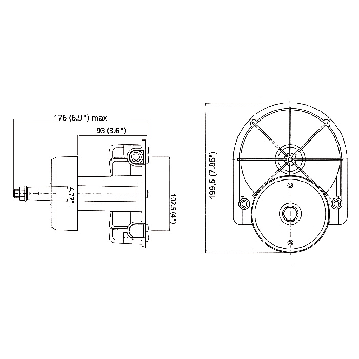
                	        Привод рулевой для подвесных лодочных моторов мощностью свыше 55 л.с.
Полная перекладка руля осуществляется за три оборота.
Ход 228 мм.
Толкающее усилие 340 кг. 
Минимальный радиус изгиба кабеля 200 мм.
Верхний кожух белого цвета и принадлежности для установки  входят в комплект поставки.
Применяется  с рулевым тросом M66, M90MACH